Вправа № 9
11 кл, фізика, Бар’яхтар, ДовгийРозв’язки задач з Вправи № 9 за підручником фізика 11 клас (В. Г. Бар’яхтар, Ф. Я. Божинова, С. О. Довгий, О. О. Кірюхіна). Подані відповіді та відео-підказки до завдань (1, 2, 3, 4) допоможуть перевірити, чи правильно було виконане домашнє завдання.
Щоб отримати повний доступ до відповідей ГДЗ без обмежень спочатку підпишіться на youtube-канал "Дано:"
Підписатися на ДаноПам’ятай, подані розв’язки з ГДЗ (Готові Домашні Завдання) треба використовувати лише як підказки.
Вправа № 9 до §9 «Електричний струм у напівпровідниках»
1. Які з наведених тверджень є істинними?
А Напівпровідник з акцепторною домішкою є напівпровідником p-типу.
Б Провідність напівпровідників збільшується зі збільшенням освітленості.
В Опір p-n-переходу залежить від напрямку струму.
Відповідь:
Усі три (А, Б, В) є істинними.
2. На рис. 1 наведено схему прямого ввімкнення напівпровідника з p-n-переходом у коло постійного струму. Якою є полярність підключення джерела струму до клем А і В?
Відповідь:
А –; В +.
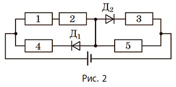
3. Електричне коло (рис. 2) складається з п’яти однакових резисторів опором 2 Ом, двох ідеальних діодів та ідеального джерела струму (опори діодів і джерела струму дорівнюють нулю). Визначте: 1) загальний опір кола; 2) відношення сили струму в колі до сили струму після зміни полярності підключення джерела струму.


4. Електрична схема, зображена на рис. 3, має назву діодний міст. Дізнайтесь, як «працює» ця схема і для чого вона призначена.
Відповідь:
Діодний міст призначений для випрямлення змінного струму, тобто перетворення його на постійний. Працює електрична схема дуже просто, змінний струм в перший півперіод проходить через одну пару діодів, в наступний півперіод, через інші два. Це дозволяє збільшити частоту пульсацій в два рази, в порівнянні з випрямленням змінного струму одним діодом, коли один півперіод струм взагалі відсутній та не проходить.