Вправа № 4


Розв’язки задач з Вправи № 4 за підручником фізика 11 клас (В. Г. Бар’яхтар, Ф. Я. Божинова, С. О. Довгий, О. О. Кірюхіна). Подані відповіді та відео-підказки до завдань (1, 2, 3, 4) допоможуть перевірити, чи правильно було виконане домашнє завдання.
Щоб отримати повний доступ до відповідей ГДЗ без обмежень спочатку підпишіться на youtube-канал "Дано:"
Підписатися на ДаноПам’ятай, подані розв’язки з ГДЗ (Готові Домашні Завдання) треба використовувати лише як підказки.
Вправа № 4 до §4 «Електрорушійна сила. Закон Ома для повного кола»
1. До джерела струму з ЕРС 6 В і внутрішнім опором 2 Ом підключено резистор опором 10 Ом. Визначте: а) силу струму в колі; б) напругу на полюсах джерела струму.


2. До полюсів джерела струму з ЕРС 4 В підключили лампу опором 8 Ом, у результаті чого в колі встановилася сила струму 0, 4 А. Визнач те внутрішній опір джерела.


3. Для визначення ЕРС і внутрішнього опору джерела струму склали електричне коло (рисунок). Коли обидва ключі замкнули, показ амперметра був 1, 8 А. Після того як один ключ розімкнули, показ амперметра став 1 А. Які результати було отримано?


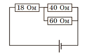
4. Визначте потужність, яку споживає кожен із трьох резисторів (рисунок), і ККД джерела струму при цьому навантаженні, якщо ЕРС джерела 12 В, а його внутрішній опір — 6 Ом.


